| Vorheriges Thema anzeigen :: Nächstes Thema anzeigen |
| Autor |
Nachricht |
 Abenteurer

Mit dabei seit Anfang 2016 Status: Offline
...und hat diesen Thread vor 68 Tagen gestartet!
| |
|
Verfasst am: 22.11.2025 07:38:49 Titel: Karosserielager Patrol 160/260 |
|
|
Da es die 160/260er Karosserielager nicht mehr gibt aber von vielen benötigt werden:
Hat jemand die Maße der Lager?
Was ich bei mir ausgebaut habe ist in so schlechtem Zustand, dass man da kaum noch etwas messen kann.
Zusätzliches Problem ist, dass die Lager nicht alle gleich sind.
Und dann gibt es ja auch noch die einseitig am Rahmen angeschraubten Lager vorne unter dem Kofferraumboden.
| |
|
|
| Nach oben |
|
 |
 Abenteurer


Mit dabei seit Mitte 2008 Wohnort: Hochborn Status: Offline
| Fahrzeuge 1. MAN G90, Nissan Y61, div. Suzukis, Subaru WRX |
|
Verfasst am: 22.11.2025 21:25:43 Titel: |
|
|
Habe noch einige gebrauchte Lager liegen.
Wenn ich weis wie sie aussehen, kann ich schauen ob ich die von dem geschlachteten 260iger noch habe.
| _________________ Owner of the "Bastelbudenfred" |
|
|
| Nach oben |
|
 |
 Abenteurer

Mit dabei seit Anfang 2016 Status: Offline
...und hat diesen Thread vor 68 Tagen gestartet!
| |
|
Verfasst am: 23.11.2025 00:35:17 Titel: |
|
|
Danke für das Angebot aber ich weiß auch nicht genau, wie die alle aussehen, bzw. welche wo hin gehören.
Ich habe jetzt allerdings heraus gefunden, dass die 2 bzw. 3 Lager zwischen den Achsen gleich sind. Die hinteren sind komplett anders und bei den vorderen ist das Unterteil anders als bei den mittleren.
Leider finde ich die Lager weder in den Partsouq-Explosionsskizzen noch im Werkstatthandbuch.
Selbst, wenn ich jetzt irgendwo einen kompletten Satz bekomme; welche gehören nach oben und welche nach unten?
| |
|
|
| Nach oben |
|
 |
 Deserteur

Mit dabei seit Ende 2016
| |
|
Verfasst am: 23.11.2025 09:20:45 Titel: |
|
|
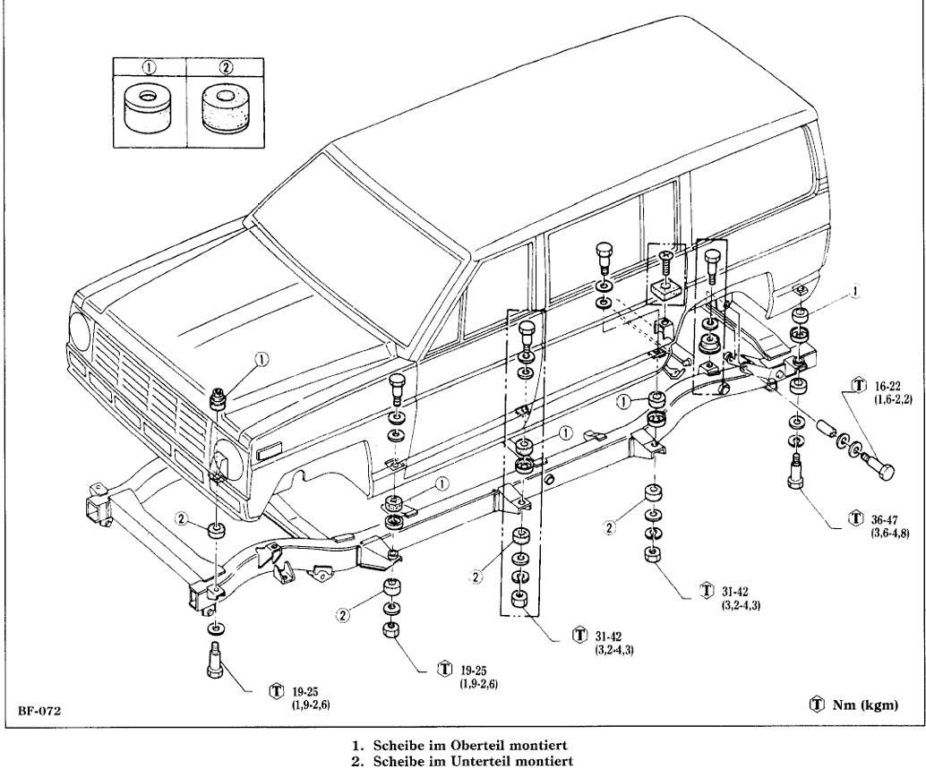
WHB 260 Abschnitt RD Karosserie BF
Befestigung der Karosserie auf dem Rahmen S. 50
Kurzer Radstand, niedrige Ausführung S. 50, Bild BF 513
Langer Radstand, niedrige Ausführung, S. 51, Bild BF 515
Anordnung der oberen und unteren Silentblöcke und Unterlegscheiben.
Mit allen Bolzenverbindungen und entsprechenden Anzugsdrehmomenten.
Verbrauchtes Material gibt's auch im Fachhandel > Silentblöcke und Unterlegscheiben.
|
Zuletzt bearbeitet von am 23.11.2025 10:07, insgesamt einmal bearbeitet |
|
|
| Nach oben |
|
 |
 Abenteurer

Mit dabei seit Anfang 2016 Status: Offline
...und hat diesen Thread vor 68 Tagen gestartet!
| |
|
Verfasst am: 23.11.2025 10:01:31 Titel: |
|
|
Ich habe nur das WHB vom 160er (da habe ich gar nichts gefunden) und das 260er als Download auf Spanisch.
Im spanischen 260er WHB ist zwar eine Explosionsskizze (auf Seite 66) und die Gummis sind mit Ziffern und Buchstaben bezeichnet - allerdings nur teilweise und es gibt keine Legende bzw. Erklärung zu den Ziffern/Buchstaben.
Kannst du die Seite 50 aus deinem WHB fotografieren und hier einstellen?
| |
|
|
| Nach oben |
|
 |
 Deserteur

Mit dabei seit Ende 2016
| |
|
Verfasst am: 23.11.2025 10:26:43 Titel: |
|
|
|
|
| Nach oben |
|
 |
 Abenteurer

Mit dabei seit Anfang 2016 Status: Offline
...und hat diesen Thread vor 68 Tagen gestartet!
| |
|
Verfasst am: 23.11.2025 10:51:38 Titel: |
|
|
Danke dir. Deckt sich im Wesentlichen mit der Skizze aus dem spanischen WHB - nur ohne die zusätzlichen Buchstaben.
Was mich wundert: Der 260er scheint laut diesen Angaben überall die gleichen Lager verbaut zu haben, der 160er hat zumindest hinten andere, obwohl ich ja beide Rahmen hier habe und die Rahmen diesbezüglich identisch sind.
Das hier soll auch vom 260er sein:
| |
|
|
| Nach oben |
|
 |
 Abenteurer


Mit dabei seit Ende 2007 Wohnort: Walsrode Status: Offline
| Fahrzeuge 1. Patrol K260 SD33T 2. Suzuki Hayabusa 3. Mercedes CLK 320 4. BMW E46 5. Triumph Tiger T400 |
|
Verfasst am: 23.11.2025 14:29:48 Titel: |
|
|
Die Differenz ist, lt. meinem WHB, das die Scheibe entweder im Ober- oder Unterteil montiert ist.
Das bezieht sich auf den Gummiblock, dort sind U-Scheiben eingelassen/verbunden und hier wird die Position und Lage der U-Scheibe im Gummiblock bezeichnet.
Ich hatte mal einen Restbestand originaler Lager von Nissan bekommen (70 EUR das Stück aber je Lager komplett mit Bolzen) dort kann ich mich gerade noch so erinnern, das das wie oben beschrieben war.
Beim Kurzen ist das recht einfach, bei dem Langen sichtbar aufwändiger.
| Beschreibung: |
|
 Download |
| Dateiname: |
123.jpg |
| Dateigröße: |
103.98 KB |
| Heruntergeladen: |
37 mal |
| |
|
|
| Nach oben |
|
 |
 Abenteurer

Mit dabei seit Anfang 2016 Status: Offline
...und hat diesen Thread vor 68 Tagen gestartet!
| |
|
Verfasst am: 23.11.2025 14:45:34 Titel: |
|
|
Beim langen sind doch nur in der Mitte 3 anstatt 2 Lager. Ansonsten ist doch beim langen und kurzen alles gleich....?
Auf dem Bild von 10:51 Uhr haben die oberen Lager (mit der Scheibe oben) die Nummer 1 und die unteren (mit der Scheibe unten) die Nummer 18.
In der ersten Reihe ganz vorne haben die oberen auch die Nummer 1 aber die unteren die Nummer 2 (anstatt 18).
Die hinteren haben oben und unten komplett andere Nummern.
Die Schrauben/Bolzen haben die Nummern 5,6 und 19 - sind also auch (fast) alle unterschiedlich - ebenso die Muttern und Unterlegscheiben.
Laut deutschem 260er WHB vom Patrolier scheinen alle Lager gleich zu sein....?
| |
|
|
| Nach oben |
|
 |
 Deserteur

Mit dabei seit Ende 2016
| |
|
Verfasst am: 23.11.2025 16:55:48 Titel: |
|
|
Stimmt. Einbaulage der jeweiligen Scheiben wie auch beim kurzen.
Hast Post.
| |
|
|
| Nach oben |
|
 |
 Abenteurer


Mit dabei seit Anfang 2016 Status: Offline
| Fahrzeuge 1. Patrol Y61 silver 2. Patrol W160 silver 3. Honda CR-V RD1 4. Patrol W160 white † |
|
Verfasst am: 28.11.2025 22:38:02 Titel: |
|
|
|
|
| Nach oben |
|
 |
 Abenteurer


Mit dabei seit Mitte 2008 Wohnort: Hochborn Status: Offline
| Fahrzeuge 1. MAN G90, Nissan Y61, div. Suzukis, Subaru WRX |
|
Verfasst am: 28.11.2025 22:58:15 Titel: |
|
|
|
|
| Nach oben |
|
 |
 Abenteurer

Mit dabei seit Anfang 2016 Status: Offline
...und hat diesen Thread vor 68 Tagen gestartet!
| |
|
Verfasst am: 29.11.2025 07:58:50 Titel: |
|
|
Ja, mit dem Anbieter hatte ich auch schon Kontakt. Allerdings passen die von ihm angebotenen Lager nur bedingt.
Die Bolzen sind M10 statt M8 und die Auflagefläche seiner Lager scheint mir deutlich kleiner zu sein als bei den originalen.
Das mit den Bolzen ist zumindest bei den hinteren Lagern problematisch, da hier original eine M8-Gewindeplatte im verschweißten Hohlraum verbaut ist.
Die Platte hat etwas Spiel - auch in der Höhe. Da möchte ich ungern ein größeres Gewinde rein schneiden müssen.
Hinzu kommt, dass wir noch nicht abschließend klären konnten, warum die hinteren Lager zumindest in einigen Explosionsskizzen andere Nummern haben.
Die Lager von Alex sind alle gleich.
Ich konnte originale Nissan-Lager bei Amayama bestellen. Sollen in 4-6 Wochen geliefert werden. Die hinteren gab es aber nicht. Habe jetzt 10 Paar von den mittleren bestellt.
| |
|
|
| Nach oben |
|
 |
 Abenteurer


Mit dabei seit Ende 2007 Wohnort: Walsrode Status: Offline
| Fahrzeuge 1. Patrol K260 SD33T 2. Suzuki Hayabusa 3. Mercedes CLK 320 4. BMW E46 5. Triumph Tiger T400 |
|
Verfasst am: 29.11.2025 09:18:01 Titel: |
|
|
Die original Lager sind quasi wie aus Rundstücken geschnitten sozusagen, die vom Alex sind teils konisch.
Denke schon, das das einen Unterschied macht, und, wie beschrieben, die U-Scheiben sind mit dem Gummistück fest verbunden.
| |
|
|
| Nach oben |
|
 |
 Abenteurer

Mit dabei seit Anfang 2016 Status: Offline
...und hat diesen Thread vor 68 Tagen gestartet!
| |
|
Verfasst am: 13.12.2025 16:15:45 Titel: |
|
|
| Liebling hat folgendes geschrieben: | Ja, mit dem Anbieter hatte ich auch schon Kontakt. Allerdings passen die von ihm angebotenen Lager nur bedingt.
Die Bolzen sind M10 statt M8 und die Auflagefläche seiner Lager scheint mir deutlich kleiner zu sein als bei den originalen.
|
Fehler: Die originalen Bolzen sind M10 und die von Alex M12.
| |
|
|
| Nach oben |
|
 |
|