| Vorheriges Thema anzeigen :: Nächstes Thema anzeigen |
| Autor |
Nachricht |
 Club der Ehemaligen
Status: Immer da - Ehrlich Du bist daheim :-)
...und hat diesen Thread vor 5719 Tagen gestartet!
| |
|
Verfasst am: 03.06.2010 21:37:32 Titel: Safari Schnorchel Patrol Y60 Realbilder |
|
|
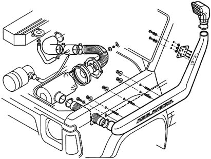
Würd gern mal wissen, wie so ein Safari Schnorchel wirklich in "echt" im Motorraum aussieht.
Sprich Luftfilterkasten und Anschluß zum Turbo runter.
Kann da jemand Fotos machen, der einen dran hat?
Theoretisch sieht es ja so aus:
Kann mir nur irgendwie nicht vorstellen, wie der gedrehte Luftfilterkasten da Platz haben soll......
Gruß Andreas | |
|
|
| Nach oben |
|
 |
|
Verfasst am: 03.06.2010 23:11:16 Titel: |
|
|
| genau das selbe hab ich mich heute auch gefragt als ich was vorne bei der batterie angeschaut hab. weil mein dad hat mich dann so gefragt weil der lufteinlass ja original nach vorne ist und das noch offen, das bei einer wasserdurchfahrt doch sehr schnell da was rein schwappen kann. | _________________ --> Meins!, Meins!, Meins!, Meins! <--
Der-Letzte Besitzer dieses Fahrzeugs. |
|
|
| Nach oben |
|
 |
|
Verfasst am: 04.06.2010 19:07:01 Titel: |
|
|
| Wenn ich es noch richtig weiß wird da der ganze Lufikasten getauscht gegen den vom 260ziger. Des halb ist das Teil auch so Mega teuer. | _________________ Ständig die Brocken aus dem Auspuff zerkleinert damit es dem Feinstaub gerecht wird |
|
|
| Nach oben |
|
 |
 Club der Ehemaligen
Status: Immer da - Ehrlich Du bist daheim :-)
...und hat diesen Thread vor 5719 Tagen gestartet!
| |
|
Verfasst am: 04.06.2010 19:36:48 Titel: |
|
|
Taubenreuther verkauft für den das Schnorchelkit mit neuem Luftfilterkasten.
Auf der HP von Safari taucht dieses Modell von der Typen-Nummer jedoch garnicht auf.
Dafür sieht es bei denen so aus:
http://www.safarisnorkel.com/guides/NISSAN/ss14hf/ss14hf_guide.html
Auch ziemlich komplexes System, bei dem der original Luftfilterkasten beibehalten wird.
Gruß Andreas | |
|
|
| Nach oben |
|
 |
|
Verfasst am: 04.06.2010 22:57:17 Titel: |
|
|
1000€ für so nen teil... schon heftig. da sollte man lieber en abflussrohr modifizieren :p
Aber die Anleitung ist noch cool gemacht. ist sogar schaffbar für nen nicht sooo erfahrenen schrauber. vorallem mit der schablone ist noch nice. | _________________ --> Meins!, Meins!, Meins!, Meins! <--
Der-Letzte Besitzer dieses Fahrzeugs. |
|
|
| Nach oben |
|
 |
 Abenteurer


Mit dabei seit Mitte 2006 Wohnort: Eisenach/Thüringen Status: Verschollen
| Fahrzeuge 1. Mitsubishi Pajero V20 Lang (V43)  2. Ex Nissan Patrol GR Y60  3. Ex Suzuki Samurai-Viagra  4. Ex Nissan Patrol K260  5.  Ex DAF 400 6. Ex JEEP CJ7 mit 5,7L Chevy V8  7. Ex JEEP CJ7 4,2L  8. Ex Mahindra CJ 540  |
|
Verfasst am: 05.06.2010 01:34:24 Titel: |
|
|
| dahlavilos hat folgendes geschrieben: | 1000€ für so nen teil... schon heftig. da sollte man lieber en abflussrohr modifizieren :p
Aber die Anleitung ist noch cool gemacht. ist sogar schaffbar für nen nicht sooo erfahrenen schrauber. vorallem mit der schablone ist noch nice. |
Der AirFlow reicht doch auch wie den hab ich dran. Der ist viel günstiger und kam mit Versand & Märchensteuer 277 Euro.  | _________________
 |
|
|
| Nach oben |
|
 |
|
Verfasst am: 05.06.2010 01:43:00 Titel: |
|
|
Der 260er Luftfilterkasten passt problemlos in den Motorraum des und
lässt sich sehr gut abdichten, muss jedoch etwas umgearbeitet werden.
Wenn man einen für 50€ kriegt kann man sich glücklich schätzen. Alternativ
zum Airflow und zum Safari gibt es auch noch die Chinanachbauten, die den
Safaris in nichts nachstehen, ausser dass die Schrauben sofort rosten.
 | _________________ Wer sich in die Nesseln setzt, dem brennt der Arsch!
 |
|
|
| Nach oben |
|
 |
|
Verfasst am: 05.06.2010 22:50:48 Titel: |
|
|
| allrad-marko hat folgendes geschrieben: | | dahlavilos hat folgendes geschrieben: | 1000€ für so nen teil... schon heftig. da sollte man lieber en abflussrohr modifizieren :p
Aber die Anleitung ist noch cool gemacht. ist sogar schaffbar für nen nicht sooo erfahrenen schrauber. vorallem mit der schablone ist noch nice. |
Der AirFlow reicht doch auch wie den hab ich dran. Der ist viel günstiger und kam mit Versand & Märchensteuer 277 Euro.  |
268€ hab ich jetzt grad gesehen. und das ist ja noch gut im vertretbaren.
aber erstmal muss ich ne gescheite antenne haben sonnst wird hier jemand böse :D | _________________ --> Meins!, Meins!, Meins!, Meins! <--
Der-Letzte Besitzer dieses Fahrzeugs. |
|
|
| Nach oben |
|
 |
 Club der Ehemaligen
Status: Immer da - Ehrlich Du bist daheim :-)
...und hat diesen Thread vor 5719 Tagen gestartet!
| |
|
Verfasst am: 05.06.2010 23:29:29 Titel: |
|
|
Antenne für Funk oder Radio?
Fürs Radio würde ich ne Aktiv-Scheibenantenne empfehlen.
Die reißt man auch nicht ab, wenns mal durchs Gebüsch geht.
Hab auch eine, aber die bau ich erst ein wenn ich meine Frontscheibe mal tausche.
Die hat auch schon die besten Tage hinter sich. Ziemlich verkratzt und durch das Alter viele Einschlüsse.
Meine ist eine von Bosch.
Gruß Andreas | |
|
|
| Nach oben |
|
 |
|
Verfasst am: 05.06.2010 23:43:04 Titel: |
|
|
|
|
| Nach oben |
|
 |
 Abenteurer


Mit dabei seit Mitte 2008 Wohnort: Hochborn Status: Offline
| Fahrzeuge 1. MAN G90, Nissan Y61, div. Suzukis, Subaru WRX |
|
Verfasst am: 06.06.2010 10:58:22 Titel: |
|
|
| dahlavilos hat folgendes geschrieben: | Für meine Funke... aber da hab ich heute schon meine Standpauke bekommen  |
Hast es bestimmt verdient! | _________________ Owner of the "Bastelbudenfred" |
|
|
| Nach oben |
|
 |
|