Hallo lieber Besucher - Meld Dich kostenlos an und mach mit!
Offroad Forum :: Deutschlands größtes markenübergreifendes und werbefreies Allradforum
Login:    
MD21 Diesel 91er Bremse entlüften kein Druck

Gehe zu Seite Zurück  1, 2, 3 =>

 
Neues Thema eröffnen   Neue Antwort erstellen    Offroad Forum Foren-Übersicht -> Nissan Beiträge seit dem letzten Besuch anzeigen
Vorheriges Thema anzeigen :: Nächstes Thema anzeigen  
Autor Nachricht
DerGlonntaler
Abenteurer
Abenteurer


Mit dabei seit Ende 2008
Status: Offline


Fahrzeuge
1. VW Amarok Grüne Plakette - 20 Jahre alter Benziner oder wie ist das zu verstehen :-) ?
BeitragVerfasst am: 18.09.2014 00:46:23    Titel:
 Antworten mit Zitat  

Also langsam aber sicher fällt mir auch nix mehr ein

kauf dir mal nen neuen/gebrauchten Deckel fürn Behälter

dann bohrst ein Loch rein und gibst vorsichtig Druck drauf und jemand anderes kontrolliert alle Leitungen

eventuell hat eine irgendwo ein Riss und es zieht dir da ständig neue Luft rein


andere Möglichkeit ob der HBZ arbeitet

ein kurzes Stück Leitung mit irgend nem Bremszylinder direkt an HBZ anschliessen

oder nur ein kurzes Stück Leitung an die beiden Anschlüsse, ob dann Druck hast

irgendwas muß da doch kaputt/undicht sein
Nach oben
Benutzer-Profile anzeigen Private Nachricht senden E-Mail senden
BavariaMD21
Offroader
Offroader


Mit dabei seit Ende 2010
Wohnort: Bayern
Status: Verschollen


...und hat diesen Thread vor 4232 Tagen gestartet!


Fahrzeuge
1. Nissan MD21, Diverse youngtimer,L200
BeitragVerfasst am: 18.09.2014 19:39:20    Titel: md21
 Antworten mit Zitat  

Heute ist mein Bestelltes Bremsenentlüftungsgerät gekommen. Jetzt schau ich mal ob es das bringt. Schaut zumindest ganz gut aus.

Habe gestern nochmals Versucht den ganzen dreck zu entlüften. Da spritzt aus jedem Nippel Öl raus .
Nach oben
Benutzer-Profile anzeigen Private Nachricht senden E-Mail senden
BavariaMD21
Offroader
Offroader


Mit dabei seit Ende 2010
Wohnort: Bayern
Status: Verschollen


...und hat diesen Thread vor 4232 Tagen gestartet!


Fahrzeuge
1. Nissan MD21, Diverse youngtimer,L200
BeitragVerfasst am: 26.09.2014 15:16:10    Titel: bremse
 Antworten mit Zitat  

So es gibt was neues.
Nachdem meine bremse ja ohne Funktion war ,wollte ich einen Bremskraftverstärker besorgen.
Ein Bekannter KFZ Mechaniker meinte zu mir das es das nie sein kann. Nach ewigen überlegungen
habe ich mal am Hauptbremszylinder die Bremsleitung (sind ja 2 eingänge am hauptbremszylinder ) den für hinten hab ich abgeschraubt und einen entlüftungsnippel als ersatz eingeschraubt. Siehe da. Bremse vorne Sofort gegangen. Habe mir für 16€ bei ebay ein Bremsentlüftungsgerät geholt. Den dann an die abgeschraubte leitung für hinten am Hauptbremszylinder angeschlossen Vakuum drauf und die Leitungen kontrolliert. Bremsflüssigkeit verlor er ja nicht. Habe dann an den leitungen gerüttelt und am Entlüftungsgerät welches unter Vakuum stand gesehen das immer an einer stelle unterm auto der druck beim Ruckeln abfällt. Ganz minimal. Es war eine schon mal getauschte leitung defekt so wenig das kein öl raus kam jedoch genug um luft zu ziehen. Also wer auf fehlersuche geht wäre das eine gute lösung
Nach oben
Benutzer-Profile anzeigen Private Nachricht senden E-Mail senden
DerGlonntaler
Abenteurer
Abenteurer


Mit dabei seit Ende 2008
Status: Offline


Fahrzeuge
1. VW Amarok Grüne Plakette - 20 Jahre alter Benziner oder wie ist das zu verstehen :-) ?
BeitragVerfasst am: 26.09.2014 21:55:53    Titel:
 Antworten mit Zitat  

na dann hatte ich ja doch Recht


genau das hatte ich dir ja bereits gesagt,

1. es kann nicht der Bremskraftverstärker sein

2. Klemm die Leitungen ab und nen andern Sattel drann

und 3. eventuell hat eine irgendwo ein Riss und es zieht dir da ständig neue Luft rein

siehe oben

mußt halt auch anderen mal was glauben
Nach oben
Benutzer-Profile anzeigen Private Nachricht senden E-Mail senden
BavariaMD21
Offroader
Offroader


Mit dabei seit Ende 2010
Wohnort: Bayern
Status: Verschollen


...und hat diesen Thread vor 4232 Tagen gestartet!


Fahrzeuge
1. Nissan MD21, Diverse youngtimer,L200
BeitragVerfasst am: 27.09.2014 13:45:52    Titel: md21
 Antworten mit Zitat  

hab ich auch versucht vorher !

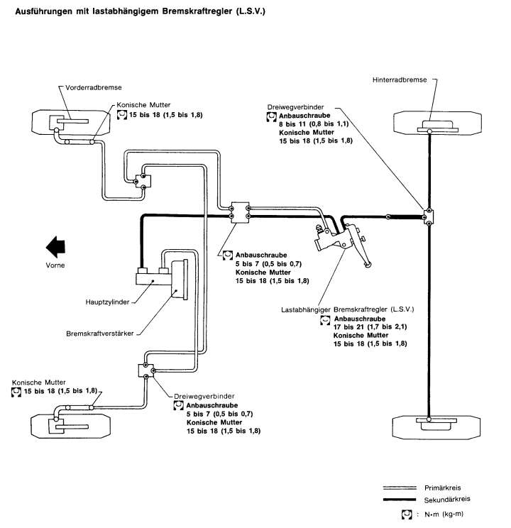
Bremsen vorne sind jetzt ok. Leitungen kommen neu rein. Weis jemand die anschlüsse von diesen lastabhängingen bremsteil der hinterachse. Ich würde gerne überprüfen ob auch alle leitungen da sind wo sie hin gehören. Es gehn ja 2 leitungen von vorne nach hinten in den lastabhängigen bremszylinder dann weiter zu den bremsen links rechts. Die 3 anschlüsse mein ich kennt da jemand die belegung welche was ist
Nach oben
Benutzer-Profile anzeigen Private Nachricht senden E-Mail senden
DerGlonntaler
Abenteurer
Abenteurer


Mit dabei seit Ende 2008
Status: Offline


Fahrzeuge
1. VW Amarok Grüne Plakette - 20 Jahre alter Benziner oder wie ist das zu verstehen :-) ?
BeitragVerfasst am: 27.09.2014 16:03:36    Titel:
 Antworten mit Zitat  

müsste passen

Nach oben
Benutzer-Profile anzeigen Private Nachricht senden E-Mail senden
BavariaMD21
Offroader
Offroader


Mit dabei seit Ende 2010
Wohnort: Bayern
Status: Verschollen


...und hat diesen Thread vor 4232 Tagen gestartet!


Fahrzeuge
1. Nissan MD21, Diverse youngtimer,L200
BeitragVerfasst am: 27.09.2014 20:12:29    Titel: md21
 Antworten mit Zitat  

Super danke. Vielen dank für die Hilfe.

Ich darf es gar nicht sagen. Hab heute neue leitungen gekauft. Dachte ja das er luft zieht. War aber an der verschraubung. Hab dann die leitungen hinten überprüft und die waren vom vorbesitzer falsch angeschlossen :-) Krass aber wahr
Nach oben
Benutzer-Profile anzeigen Private Nachricht senden E-Mail senden
Beiträge der letzten Zeit anzeigen:   
Neues Thema eröffnen   Neue Antwort erstellen    Offroad Forum Foren-Übersicht -> Nissan Gehe zu Seite Zurück  1, 2, 3 =>
Seite 3 von 3 Beiträge seit dem letzten Besuch anzeigen || Nach oben
Gehe zu:  
Du kannst keine Beiträge in dieses Forum schreiben.
Du kannst auf Beiträge in diesem Forum nicht antworten.
Du kannst deine Beiträge in diesem Forum nicht bearbeiten.
Du kannst deine Beiträge in diesem Forum nicht löschen.
Du kannst an Umfragen in diesem Forum nicht mitmachen.
Du kannst Dateien in diesem Forum posten
Du kannst Dateien in diesem Forum herunterladen


Forensicherheit

319293 Angriffe abgewehrt

Zeit für Seitenerstellung: 0.247  Sekunden 

Software: phpBB © phpBB Group :: Extensions: flashman.TV :: Impressum + Rechtliches :: Datenschutzerklärung :: Das Team im Überblick :: Filter- und PN-Ignorier-Einstellungen