Hallo lieber Besucher - Meld Dich kostenlos an und mach mit!
Offroad Forum :: Deutschlands größtes markenübergreifendes und werbefreies Allradforum
Login:    
Suche Schaltplan der Zentralverriegelung
Nissan Patrol Y60 LWB RD28T


 
Neues Thema eröffnen   Neue Antwort erstellen    Offroad Forum Foren-Übersicht -> Nissan Beiträge seit dem letzten Besuch anzeigen
Vorheriges Thema anzeigen :: Nächstes Thema anzeigen  
Autor Nachricht
DerBucklige
Offroader
Offroader


Mit dabei seit Anfang 2020


...und hat diesen Thread vor 728 Tagen gestartet!


Fahrzeuge
1. Nissan Patrol Y60 LWB (RD28)
BeitragVerfasst am: 19.12.2023 21:17:11    Titel: Suche Schaltplan der Zentralverriegelung
 Antworten mit Zitat  

Servus! Winke Winke

Ich bin auf der Suche nach dem Schaltplan der Zentralverriegelung. Habe meine Unterlagen/Dateien durchforstet, aber leider nichts zur ZV gefunden. Eigenartig... Obskur

Hat jemand von euch den Schaltplan der ZV?

Gruß
DerBucklige
Nach oben
Benutzer-Profile anzeigen Private Nachricht senden E-Mail senden
DerBucklige
Offroader
Offroader


Mit dabei seit Anfang 2020


...und hat diesen Thread vor 728 Tagen gestartet!


Fahrzeuge
1. Nissan Patrol Y60 LWB (RD28)
BeitragVerfasst am: 21.12.2023 21:29:56    Titel:
 Antworten mit Zitat  

Mehr habe ich bis dato nicht finden können...


ZV.jpg
 Beschreibung:
 Dateigröße:  62.22 KB
 Angeschaut:  1460 mal

ZV.jpg


Nach oben
Benutzer-Profile anzeigen Private Nachricht senden E-Mail senden
DerBucklige
Offroader
Offroader


Mit dabei seit Anfang 2020


...und hat diesen Thread vor 728 Tagen gestartet!


Fahrzeuge
1. Nissan Patrol Y60 LWB (RD28)
BeitragVerfasst am: 22.12.2023 12:53:04    Titel:
 Antworten mit Zitat  

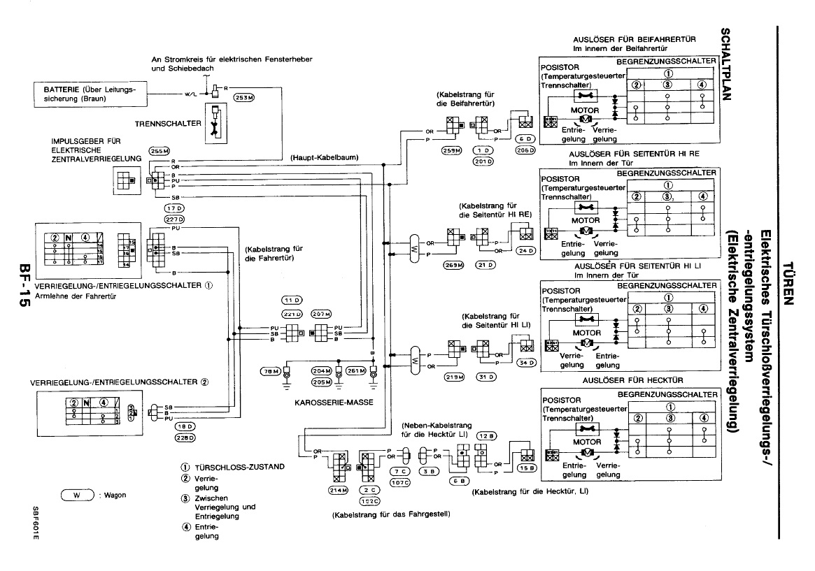
Womöglich auch für andere von Interesse. Winke Winke


ZV1.jpg
 Beschreibung:
 Dateigröße:  149.88 KB
 Angeschaut:  1429 mal

ZV1.jpg



ZV2.jpg
 Beschreibung:

Download
 Dateiname:  ZV2.jpg
 Dateigröße:  264.12 KB
 Heruntergeladen:  59 mal

Nach oben
Benutzer-Profile anzeigen Private Nachricht senden E-Mail senden
Beiträge der letzten Zeit anzeigen:   
Neues Thema eröffnen   Neue Antwort erstellen    Offroad Forum Foren-Übersicht -> Nissan
Seite 1 von 1 Beiträge seit dem letzten Besuch anzeigen || Nach oben
Gehe zu:  
Du kannst keine Beiträge in dieses Forum schreiben.
Du kannst auf Beiträge in diesem Forum nicht antworten.
Du kannst deine Beiträge in diesem Forum nicht bearbeiten.
Du kannst deine Beiträge in diesem Forum nicht löschen.
Du kannst an Umfragen in diesem Forum nicht mitmachen.
Du kannst Dateien in diesem Forum posten
Du kannst Dateien in diesem Forum herunterladen


Forensicherheit

2.470156400247E+192 Angriffe abgewehrt

Zeit für Seitenerstellung: 0.161  Sekunden 

Software: phpBB © phpBB Group :: Extensions: flashman.TV :: Impressum + Rechtliches :: Datenschutzerklärung :: Das Team im Überblick :: Filter- und PN-Ignorier-Einstellungen