| Vorheriges Thema anzeigen :: Nächstes Thema anzeigen |
| Autor |
Nachricht |
 Offroader

Mit dabei seit Ende 2009 Wohnort: Wels/Oberösterreich Status: Verschollen
| Fahrzeuge 1. Toyota Landcruiser J12 |
|
Verfasst am: 02.01.2010 09:20:51 Titel: |
|
|
Montage auch kein Problem? Kann man auch als ungeübter einbauen?
Muß ich gleich bei ebay schauen. | |
|
|
| Nach oben |
|
 |
 Abenteurer


Mit dabei seit Mitte 2008 Wohnort: Hochborn Status: Offline
| Fahrzeuge 1. MAN G90, Nissan Y61, div. Suzukis, Subaru WRX |
|
Verfasst am: 02.01.2010 11:00:00 Titel: |
|
|
| ThorstenD hat folgendes geschrieben: | Also mein 97er hat den Tempomaten Serienmäßig...
*duckundschnellwech* |
Ich weis das es das Serienmäßig gibt. Geht aus dem WHB hervor.
Nur bei Nissan versteht das keiner. Da hab ich immer die Aussage bekommen "Gibt es nicht, hat es nie gegeben".
Gab es wohl auch nur in Verbindung mit dem Benziner.
Egal, jetzt passt bei mir einer mit Unterdruckdose  | _________________ Owner of the "Bastelbudenfred" |
|
|
| Nach oben |
|
 |
|
Verfasst am: 02.01.2010 14:39:47 Titel: |
|
|
Den Magic Speed von WAECO hatte ich verbaut. Der Einbau ist simpel. Der einzige Nachteil ist,
dass das eigentliche Tachosignal des eine ungünstige Geschwindigkeit hat und man deshalb
die Geschwindigkeit am besten von der Kardanwelle abnimmt, sonst geht der Tempomat erst ab
75kmh.
Dieses Modell war mal deutlich billiger!  | _________________ Wer sich in die Nesseln setzt, dem brennt der Arsch!
 |
|
|
| Nach oben |
|
 |
 Abenteurer


Mit dabei seit Mitte 2008 Wohnort: bei Bremen
| |
|
Verfasst am: 02.01.2010 19:41:32 Titel: |
|
|
| Team-Wildsau hat folgendes geschrieben: | | ThorstenD hat folgendes geschrieben: | Also mein 97er hat den Tempomaten Serienmäßig...
*duckundschnellwech* |
Ich weis das es das Serienmäßig gibt. Geht aus dem WHB hervor.
Nur bei Nissan versteht das keiner. Da hab ich immer die Aussage bekommen "Gibt es nicht, hat es nie gegeben".
Gab es wohl auch nur in Verbindung mit dem Benziner.
Egal, jetzt passt bei mir einer mit Unterdruckdose  |
Jepp, gab´s bis 2006 nur für die Benziner (4,5 und 4,8). Seit der Umstellung des in 2007 auf Common Rail gibt´s den nun auch für den 3,0Di serienmäßig mit der LE Ausstattung. | _________________ GR-uß Thorsten
...irgendwas is´ ja immer! |
|
|
| Nach oben |
|
 |
 Abenteurer


Mit dabei seit Mitte 2008 Wohnort: Hochborn Status: Offline
| Fahrzeuge 1. MAN G90, Nissan Y61, div. Suzukis, Subaru WRX |
|
Verfasst am: 02.01.2010 20:42:42 Titel: |
|
|
Was ich lustig finde, das Tempomat und Scheibenwisch-Intervallverstellung an meinem 88er Chevy Pick up serienmäßig war. Und das ist ja nur ein Transporter.
10 Jahre später gab es das nichteinmal beim .
Die USA ist da schon immer weit voraus gewesen. | _________________ Owner of the "Bastelbudenfred" |
|
|
| Nach oben |
|
 |
 Club der Ehemaligen
Status: Immer da - Ehrlich Du bist daheim :-)
| |
|
Verfasst am: 02.01.2010 20:46:15 Titel: |
|
|
Da hast echt Recht.
Die US Fahrzeuge waren damals ausstattungstechnischen schon weit überlegen.
Wenn ich mir denk das der Chero von meinem Kumpel Uli alles hat.....
Was würde eigentlich so ein Nachrüst-Tempomat für den eigentlich kosten?
Gruß Andreas | |
|
|
| Nach oben |
|
 |
|
Verfasst am: 03.01.2010 02:51:03 Titel: |
|
|
| der Zemco je nach Bedienteil 200-250 inkl | |
|
|
| Nach oben |
|
 |
 Abenteurer


Mit dabei seit Mitte 2006 Wohnort: Eisenach/Thüringen Status: Verschollen
| Fahrzeuge 1. Mitsubishi Pajero V20 Lang (V43)  2. Ex Nissan Patrol GR Y60  3. Ex Suzuki Samurai-Viagra  4. Ex Nissan Patrol K260  5.  Ex DAF 400 6. Ex JEEP CJ7 mit 5,7L Chevy V8  7. Ex JEEP CJ7 4,2L  8. Ex Mahindra CJ 540  |
|
Verfasst am: 03.01.2010 10:33:16 Titel: |
|
|
|
|
| Nach oben |
|
 |
 Bin neu hier

Mit dabei seit Anfang 2015 Status: Verschollen
| Fahrzeuge 1. Nissan Patrol Y61 2. VW Golf 4 |
|
Verfasst am: 15.05.2016 19:17:55 Titel: |
|
|
Hallo zusammen,
ich möchte in meinen 3.0 Bj2008 einen Tempomat von Zemco, AP900, nachrüsten. Seit Tagen bin ich nun schon am rummachen und kriege das Ding einfach nicht zum Laufen. Mein Problem äußert sich darin, dass das Fahrzeug nicht die Geschwindigkeit hält und ich auch keine Rückmeldung des Tempomats bekomme (Piepton) dass der Geschwindigkeitsregler in Funktion ist.
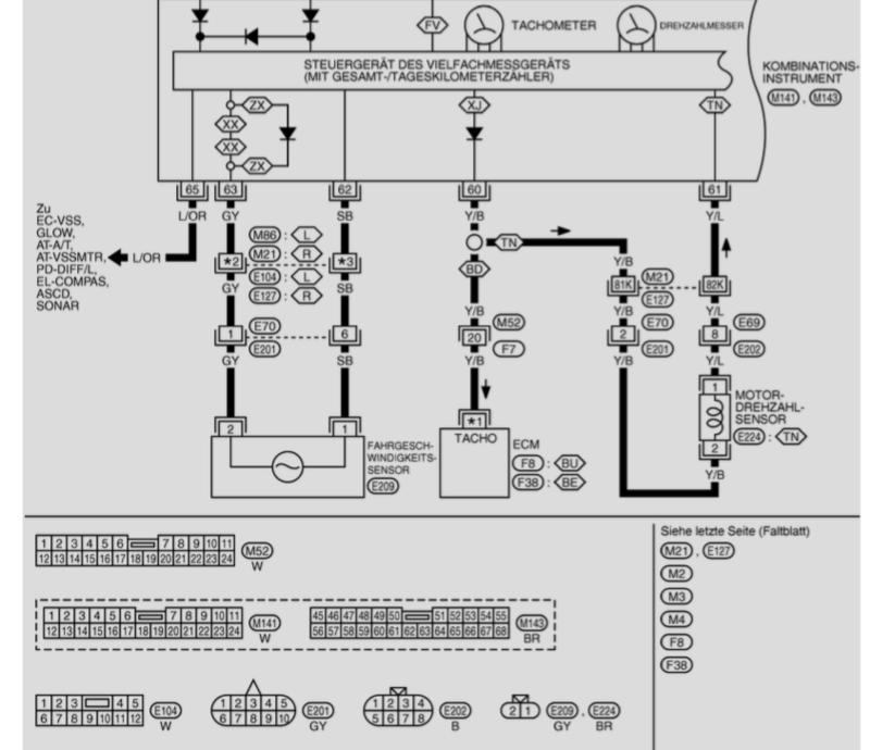
Anscheinend greife ich nicht das richtige Kabel des Geschwindigkeitssignals vom elektronischen Tacho ab. Hat jemand von euch schon mal einen Tempomat in dieses Fahrzeug nachgerüstet und weiß welches Kabel ich abgreifen muss? Ich habe mich bisher auf das gelb/schwarze Kabel hinter dem Kombinationsinstrument konzentriert, das dies nach eingehendem Studium des Werkstatthandbuchs das richtige Kabel sein sollte. Vielleicht lese ich aber auch den Schaltplan falsch.
Ansonsten bin ich der Meinung, dass es nicht an was anderem liegt. Das elektronische Gaspedal lässt sich vom Tempomat anlernen und auch auf die Bremse reagiert der Tempomat, da ich um in den Setup-Lernmodus zu kommen unter anderen die Bremse betätigen muss. | |
|
|
| Nach oben |
|
 |
 Abenteurer


Mit dabei seit Mitte 2008 Wohnort: Hochborn Status: Offline
| Fahrzeuge 1. MAN G90, Nissan Y61, div. Suzukis, Subaru WRX |
|
Verfasst am: 16.05.2016 14:12:00 Titel: |
|
|
Gelb schwarz passt.
Mehr kann ich dazu nicht beitragen.
Zu modern. | _________________ Owner of the "Bastelbudenfred" |
|
|
| Nach oben |
|
 |
 Offroader

Mit dabei seit Ende 2013
| |
|
Verfasst am: 16.05.2016 17:07:51 Titel: cruise control |
|
|
|
|
| Nach oben |
|
 |
 Bin neu hier

Mit dabei seit Anfang 2015 Status: Verschollen
| Fahrzeuge 1. Nissan Patrol Y61 2. VW Golf 4 |
|
Verfasst am: 17.05.2016 21:51:02 Titel: |
|
|
Hallo,
das gelb/schwarze Kabel hat nicht funktioniert. Das richtige Kabel ist das graue Kabel am Stecker M143 am Pin 63 hinter dem Kombiinstrument. Nachdem ich mit dem gelb/schwarzen Kabel an diversen Stellen im Auto keinen Erfolg hatte, haben wir von vom Geschwindigkeitssensor am Getriebe den Durchgang gemessen und hatten mit dem grauen Kabel Kabel. Hätte ich auch mal früher drauf kommen können
Jetzt habe ich einen funktionierenden Tempomat
 | |
|
|
| Nach oben |
|
 |
|