Hallo lieber Besucher - Meld Dich kostenlos an und mach mit!
Offroad Forum :: Deutschlands größtes markenübergreifendes und werbefreies Allradforum
Login:    
zusatzscheinwerfer

Gehe zu Seite Zurück  1, 2, 3  Weiter =>

 
Neues Thema eröffnen   Neue Antwort erstellen    Offroad Forum Foren-Übersicht -> Nissan Beiträge seit dem letzten Besuch anzeigen
Vorheriges Thema anzeigen :: Nächstes Thema anzeigen  
Autor Nachricht
Kini
Unterirdisch!
Abenteurer


Mit dabei seit Ende 2005
Wohnort: Neumarkt
Status: Offline


Fahrzeuge
1. Mercedes Vito 115 CDi 4x4
BeitragVerfasst am: 31.12.2014 20:48:28    Titel:
 Antworten mit Zitat  

ThorstenD hat folgendes geschrieben:
Sorry aber für ne Dauerrlösung halt ich das für Pfusch. Das kann ich machen wenn ich irgen ne Magnetfußleuchte mal kurzzeitig auf dem Dach hab aber nicht bei ner dauerhaften Geschichte.


Solltest Du damit auf meine Aussage anspielen,....



..ich meinte das so ein kleines bißchen ironisch....



Kini

_________________
"Aber sie beschützen uns doch vor Terroristen!" liegt nur eine Schublade über "Aber er hat doch Autobahnen gebaut."
Nie so tief bücken!

auf twitter von @haekelschwein


Kein Popel mehr.


Straßen sind Ausdruck unseres Unvermögens, eigene Wege zu finden!
Nach oben
Benutzer-Profile anzeigen Private Nachricht senden E-Mail senden Website dieses Benutzers besuchen
ThorstenD
Abenteurer
Abenteurer


Mit dabei seit Mitte 2008
Wohnort: bei Bremen


BeitragVerfasst am: 01.01.2015 11:29:41    Titel:
 Antworten mit Zitat  

Kini hat folgendes geschrieben:
ThorstenD hat folgendes geschrieben:
Sorry aber für ne Dauerrlösung halt ich das für Pfusch. Das kann ich machen wenn ich irgen ne Magnetfußleuchte mal kurzzeitig auf dem Dach hab aber nicht bei ner dauerhaften Geschichte.


Solltest Du damit auf meine Aussage anspielen,....



..ich meinte das so ein kleines bißchen ironisch....



Kini


War mir nicht ganz sicher ob´s ironisch gemeint war. Aber so passts dann ja. Winke Winke

_________________
GR-uß Thorsten

...irgendwas is´ ja immer!
Nach oben
Benutzer-Profile anzeigen Private Nachricht senden E-Mail senden
Alarich von Thüringen
Offroader
Offroader


Mit dabei seit Ende 2014
Wohnort: Wuppertal
Status: Verschollen


Fahrzeuge
1. Nissan Terrano 2
2. Subaru Libero (möge Afrika seiner Seele gnädig sein)
BeitragVerfasst am: 01.01.2015 11:47:34    Titel:
 Antworten mit Zitat  

Hat von euch jemand ne ahnung ob die Dinger hier überhaupt was taugen?
http://www.ebay.de/itm/2-pcs-7-55W-HID-Xenon-Arbeitsscheinwerfer-Offroad-Zusatzscheinwerfer-AUTO-SUV-/201243257633?pt=Nutzfahrze... [Link automatisch gekürzt]


Ich mein ja mal, ne normales Xenon Ersatzleuchtmittel (Phillips oder so) kostet um die 120 Eur!
Wie können da 2 Stk für unter 80 Eur was taugen, mal ganz davon abgesehen, das sie im normalen Straßenverkehr absolut unzulässig sind (spreche da aus Erfahrung Kostet 90 Eur und damals 3 Punkte, hatte im Daihatsu Xenons in die HS gepackt Ätsch )

Jetzt die eigentliche Frage, wenn diese (unzulässigen) Scheinwerfer ohne direkte Ansteuerung vom eigentlichen Fahrzeuglicht, separat als Arbeits- und Suchscheinwerfer verbaut werden. Darf ich diese dann im Srraßenverkehr am Fahrzeug haben oder nicht?

_________________
Kein ABS, Kein ESP, Kein Airbag........ Wir sterben noch wie echte Männer!
Nach oben
Benutzer-Profile anzeigen Private Nachricht senden E-Mail senden
OffroadFan80
Abenteurer
Abenteurer


Mit dabei seit Anfang 2011
Wohnort: Klingenberg am Main
Status: Verschollen


Fahrzeuge
1. HDJ 80
BeitragVerfasst am: 01.01.2015 11:55:19    Titel:
 Antworten mit Zitat  

Mit separater Schaltung ja, darfst sie nur nicht im Straßenverkehr nutzen.

_________________
"Wenn Scheiße, dann Scheiße mit Schwung!"
Nach oben
Benutzer-Profile anzeigen Private Nachricht senden E-Mail senden
Alarich von Thüringen
Offroader
Offroader


Mit dabei seit Ende 2014
Wohnort: Wuppertal
Status: Verschollen


Fahrzeuge
1. Nissan Terrano 2
2. Subaru Libero (möge Afrika seiner Seele gnädig sein)
BeitragVerfasst am: 01.01.2015 14:33:57    Titel:
 Antworten mit Zitat  

Dachte ich mir!
Beim Lkw ist´s ja nicht anders, bau dran was gefällt. Hauptsache ist es hat nen separaten Schalter.

Wobei ich da mal Theater bei der HU hatte, und zwar mit nem Kubota-Trekker. Da sagte doch der Prüfer glatt zu mir, die oberen Arbeitsscheinwerfer dürften nicht zusammen mit dem Abblendlicht funtionieren und verweigerte die Plakette.
Also musste ich eine Gegenplus-Schaltung nachrüsten, so das diese nur mit dem Fernlicht einzuschlaten gehen und bei Abblendlich automatisch ausgehen.

_________________
Kein ABS, Kein ESP, Kein Airbag........ Wir sterben noch wie echte Männer!
Nach oben
Benutzer-Profile anzeigen Private Nachricht senden E-Mail senden
Toxic4x4
da kommt eh nur Blödsinn raus
Abenteurer


Mit dabei seit Mitte 2010
Status: Verschollen


Fahrzeuge
1. SJ Longbody 2,0 16V
2. D-Max 3L Schalter
3. Volvo Amazon
4. Suzuki DRZ 400 Y
5. Vespa PX 225
6. Cube Attention
7. Hackbrett Killer
BeitragVerfasst am: 01.01.2015 17:04:02    Titel:
 Antworten mit Zitat  

Die Relaisschaltung ist echt zu empfehlen, ich habs bei zwei Suzuki gemacht und es hat wirklich deutlich was gebracht!
Falls Du sowas nicht aus Einzelteilen zusammen bauen kannst/willst, bekommst Du z.B. hier:


http://www.sk4x4sports.de/cms/front_content.php?idcat=70


die für Dein Auto passende Fertigschaltung!

Gruß,
Andreas

_________________
Es ist ein dreckiges Hobby, aber irgendwer muss es ja machen!
Nach oben
Benutzer-Profile anzeigen Private Nachricht senden E-Mail senden
Dirtrider
Abenteurer
Abenteurer


Mit dabei seit Ende 2007
Wohnort: zu Hause ... Eisenberg/Thür.
Status: Urlaub


Fahrzeuge
1. Nissan MD21
BeitragVerfasst am: 02.01.2015 11:20:49    Titel:
 Antworten mit Zitat  

ThorstenD hat folgendes geschrieben:
Dirtrider hat folgendes geschrieben:
Kini hat folgendes geschrieben:
Die originalen Kabel gehen nicht mehr zum Scheinwerfer, sondern zu je einem Relais.

Dieses Relais schaltet dann Strom direkt von der Batterie zum Scheinwerfer.

Du senkst damit den Strom, der über den Lichtschalter läuft und umgehst sämtliche Leitungs- und Steckerverluste, die in Deinem Kabelbaum versteckt sind.

Ich hab das jetzt bei bisher zwei Fahrzeugen gemacht und das Ergebnis ist beide Male erstaunlich.
Beim Disco, bei dem ich das zum ersten Mal gemacht hatte, war das Ergebnis besser, als die zuvor probierten 100 W Birnen.

Beim Japan-Ford von jetzt ersetzt die Lösung zuverlässig die Zusatzscheinwerfer.


Ich gehe davon aus, daß mein nächstes Auto wieder ein Popel wird, und das wird die erst Umbau-Maßnahme werden.


Kini




Nicht Dein Ernst, oder? ... kann mir garnicht vorstellen, daß das wirklich was ausmacht. Öhmm


Probiers aus. Wirst dich wundern!

Hab das beim Blaubären, der gelben Macht und dem 4,2er Benziner ebenso gemacht und der Unterschied war echt beeindruckend.


Winke Winke

Da muß ich das echt auch mal probieren. Ja

_________________
Ich komme lieber etwas später ... als zu früh.

Ja, das Leben ist hart ... aber gemein!
Nach oben
Benutzer-Profile anzeigen Private Nachricht senden E-Mail senden
michak1801
Offroader
Offroader


Mit dabei seit Mitte 2010
Wohnort: dresden
Status: Verschollen


Fahrzeuge
1. Dodge Mowag
2. Kawasaki Zephyr 1100
BeitragVerfasst am: 02.01.2015 23:46:54    Titel:
 Antworten mit Zitat  

interessante sache. gibt es das auch als stromlaufplan zum verstehn wie das ding arbeitet?
ne fertige sache zu kaufen finde ich nicht schlecht.
Nach oben
Benutzer-Profile anzeigen Private Nachricht senden E-Mail senden
Kini
Unterirdisch!
Abenteurer


Mit dabei seit Ende 2005
Wohnort: Neumarkt
Status: Offline


Fahrzeuge
1. Mercedes Vito 115 CDi 4x4
BeitragVerfasst am: 02.01.2015 23:51:49    Titel:
 Antworten mit Zitat  

Zumindest bei mir existiert der Stromlaufplan nur in meinem Kopf und ich werd mir auch nicht die Mühe machen, den aufzuzeichnen.

Aber es ist auch nicht kompliziert: Du machst statt der Glühlampe ein Relais ans Ende von dem Kabel, das vom Lichtschalter kommt. Und mit dem Relais schaltest Du Batteriestrom zur Glühlampe.

Kini

_________________
"Aber sie beschützen uns doch vor Terroristen!" liegt nur eine Schublade über "Aber er hat doch Autobahnen gebaut."
Nie so tief bücken!

auf twitter von @haekelschwein


Kein Popel mehr.


Straßen sind Ausdruck unseres Unvermögens, eigene Wege zu finden!
Nach oben
Benutzer-Profile anzeigen Private Nachricht senden E-Mail senden Website dieses Benutzers besuchen
michak1801
Offroader
Offroader


Mit dabei seit Mitte 2010
Wohnort: dresden
Status: Verschollen


Fahrzeuge
1. Dodge Mowag
2. Kawasaki Zephyr 1100
BeitragVerfasst am: 03.01.2015 00:20:07    Titel:
 Antworten mit Zitat  

ok, dachte ich mir schon das es so iwie funktioniert.

kann man sagen das es jedem auto gut tut so das licht zu schalten. oder nur bei autos vor bhj???.
Nach oben
Benutzer-Profile anzeigen Private Nachricht senden E-Mail senden
Alarich von Thüringen
Offroader
Offroader


Mit dabei seit Ende 2014
Wohnort: Wuppertal
Status: Verschollen


Fahrzeuge
1. Nissan Terrano 2
2. Subaru Libero (möge Afrika seiner Seele gnädig sein)
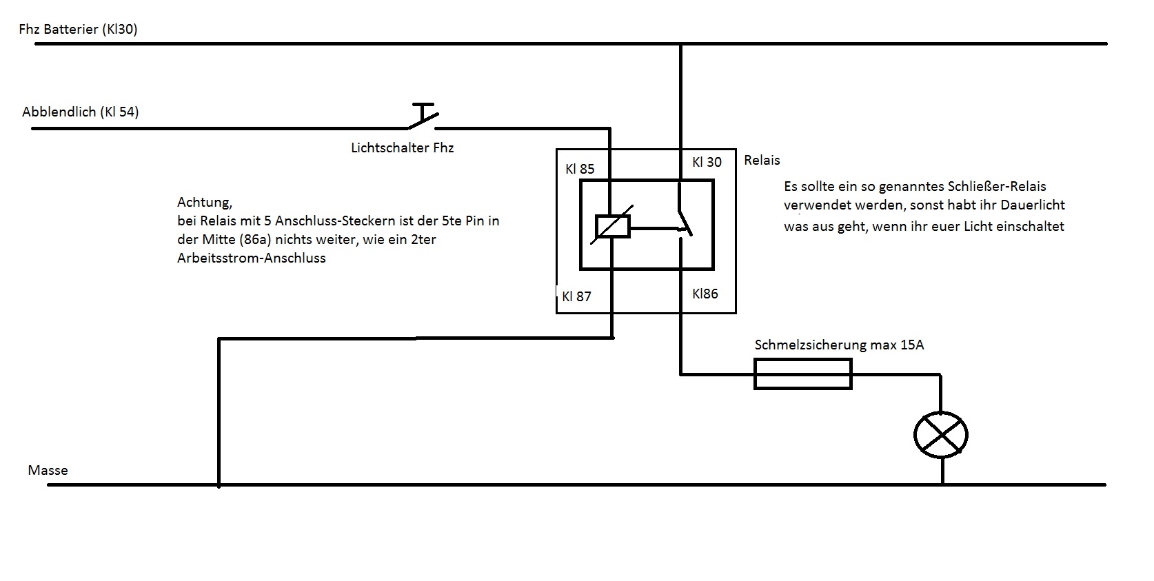
BeitragVerfasst am: 03.01.2015 09:10:30    Titel:
 Antworten mit Zitat  

Ich habs mal grob skizziert


Relaisschaltung.jpg
 Beschreibung:

Download
 Dateiname:  Relaisschaltung.jpg
 Dateigröße:  129.01 KB
 Heruntergeladen:  127 mal


_________________
Kein ABS, Kein ESP, Kein Airbag........ Wir sterben noch wie echte Männer!
Nach oben
Benutzer-Profile anzeigen Private Nachricht senden E-Mail senden
Kini
Unterirdisch!
Abenteurer


Mit dabei seit Ende 2005
Wohnort: Neumarkt
Status: Offline


Fahrzeuge
1. Mercedes Vito 115 CDi 4x4
BeitragVerfasst am: 03.01.2015 09:24:58    Titel:
 Antworten mit Zitat  

Das Bildist gut, aber die Schmelzsicherung gehört möglichst nahe an die Batterie vor das Relais!

Kini

_________________
"Aber sie beschützen uns doch vor Terroristen!" liegt nur eine Schublade über "Aber er hat doch Autobahnen gebaut."
Nie so tief bücken!

auf twitter von @haekelschwein


Kein Popel mehr.


Straßen sind Ausdruck unseres Unvermögens, eigene Wege zu finden!
Nach oben
Benutzer-Profile anzeigen Private Nachricht senden E-Mail senden Website dieses Benutzers besuchen
muzmuzadi
Abenteurer
Abenteurer


Mit dabei seit Mitte 2008
Wohnort: Großröhrsdorf
Status: Offline


Fahrzeuge
1. SUZUKI SAMURAI
2. Ex SUZUKI LJ 80
3. QEK Junior
BeitragVerfasst am: 03.01.2015 11:32:19    Titel:
 Antworten mit Zitat  

michak1801 hat folgendes geschrieben:
gibt es das auch als stromlaufplan zum verstehn wie das ding arbeitet?

http://ftec.cfasp.de/bre/besseres_licht.htm
http://www.syncro-frank.bullifieber.de/scheinwerferumbau.htm

_________________
sebbo hat folgendes geschrieben:
generell ist ein suzuki ein scheißhaus und nichts wert. jeder der geld dafür haben will macht dies mit betrügerischem vorsatz.
durch den tausch von geld gegen einen solchen scheißhaufen wirst du mitglied im suzuki offroad club und darfst dich offiziell als nicht ganz dicht bezeichnen :)
Nach oben
Benutzer-Profile anzeigen Private Nachricht senden E-Mail senden
Kini
Unterirdisch!
Abenteurer


Mit dabei seit Ende 2005
Wohnort: Neumarkt
Status: Offline


Fahrzeuge
1. Mercedes Vito 115 CDi 4x4
BeitragVerfasst am: 03.01.2015 12:48:59    Titel:
 Antworten mit Zitat  

Der ausm Bulli-Forum ist gut, beim anderen sind 2 Relais zu wenig drin.

Es muß jeweil für Fern- und Abblendlicht pro Scheinwerfer ein Relai da sein, also ingesamt 4 Relais, sonst hast Du beide Leuchter dunkel, wenn ein Relais ausfällt.

Kini

_________________
"Aber sie beschützen uns doch vor Terroristen!" liegt nur eine Schublade über "Aber er hat doch Autobahnen gebaut."
Nie so tief bücken!

auf twitter von @haekelschwein


Kein Popel mehr.


Straßen sind Ausdruck unseres Unvermögens, eigene Wege zu finden!
Nach oben
Benutzer-Profile anzeigen Private Nachricht senden E-Mail senden Website dieses Benutzers besuchen
Dirtrider
Abenteurer
Abenteurer


Mit dabei seit Ende 2007
Wohnort: zu Hause ... Eisenberg/Thür.
Status: Urlaub


Fahrzeuge
1. Nissan MD21
BeitragVerfasst am: 03.01.2015 16:41:42    Titel:
 Antworten mit Zitat  

Kini hat folgendes geschrieben:
Der ausm Bulli-Forum ist gut, beim anderen sind 2 Relais zu wenig drin.

Es muß jeweil für Fern- und Abblendlicht pro Scheinwerfer ein Relai da sein, also ingesamt 4 Relais, sonst hast Du beide Leuchter dunkel, wenn ein Relais ausfällt.

Kini



Winke Winke

Aber auch das ist nicht ganz zu Ende gedacht .... Grins

Es wird laut Schaltplan nämlich nur eine Seite bzw. eine "Scheinwerferoriginalverkabelung" als Steuerleitung für alle 4 Relais genutzt. Liegt also auf dieser Seite/Steuerstrom ein Defekt (Sicherung durch, Kabelbruch usw.) vor, dann ist auch wieder alles dunkel.
Besser wäre es dann wirklich pro Seite/Scheinwerfer nur zwei Relais der dazugehörigen Seite anzusteuern - sprich jede Seite extra (wie original). Ja

_________________
Ich komme lieber etwas später ... als zu früh.

Ja, das Leben ist hart ... aber gemein!
Nach oben
Benutzer-Profile anzeigen Private Nachricht senden E-Mail senden
Beiträge der letzten Zeit anzeigen:   
Neues Thema eröffnen   Neue Antwort erstellen    Offroad Forum Foren-Übersicht -> Nissan Gehe zu Seite Zurück  1, 2, 3  Weiter =>
Seite 2 von 3 Beiträge seit dem letzten Besuch anzeigen || Nach oben
Gehe zu:  
Du kannst keine Beiträge in dieses Forum schreiben.
Du kannst auf Beiträge in diesem Forum nicht antworten.
Du kannst deine Beiträge in diesem Forum nicht bearbeiten.
Du kannst deine Beiträge in diesem Forum nicht löschen.
Du kannst an Umfragen in diesem Forum nicht mitmachen.
Du kannst Dateien in diesem Forum posten
Du kannst Dateien in diesem Forum herunterladen


Forensicherheit

316861 Angriffe abgewehrt

Zeit für Seitenerstellung: 0.242  Sekunden 

Software: phpBB © phpBB Group :: Extensions: flashman.TV :: Impressum + Rechtliches :: Datenschutzerklärung :: Das Team im Überblick :: Filter- und PN-Ignorier-Einstellungen